您的瀏覽器版本過低,為保證更佳的瀏覽體驗,請點擊更新高版本瀏覽器
以后再說X



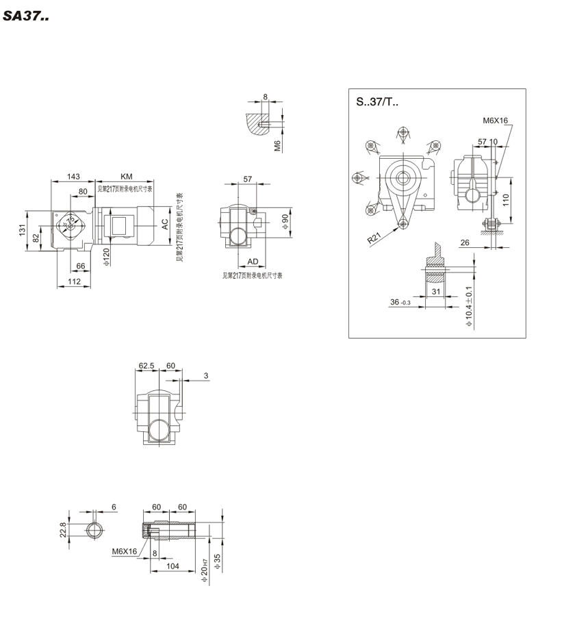
斜齒輪蝸輪減速機采用電機直聯形式,結構為一級斜齒輪加一級蝸輪蝸桿傳動。輸出為軸裝式,具有六種基本安裝形式。 可正反轉運轉,斜齒輪采用硬齒面,運轉平穩,承載能力大,工作環境溫度-10℃~40℃,該產品與同類產品比具有速度變化范圍大,結構緊湊,安裝方便等特點。
上一篇:SAF系列蝸輪蝸桿減速機
下一篇:S 系列蝸輪蝸桿減速機
相關案例
2019-12-05
2019-12-05
2019-12-05
2019-12-05
2019-12-05
地區產品